山東萬象環境科技有限公司
聯系人:毛經理
聯系電話:15666889815
QQ:1950883583
公司地址:山東省濰坊高新區新城街道玉清社區光電路155號濰坊高新區光電產業加速器(一期)1號樓301
PRODUCT
聯系人:毛經理
聯系電話:15666889815
QQ:1950883583
公司地址:山東省濰坊高新區新城街道玉清社區光電路155號濰坊高新區光電產業加速器(一期)1號樓301

更新時間:2025-12-05
產品型號:WX-QT4S
產品價格:電議
產品品牌:萬象系
一、高精度臭氧傳感器技術參數
高精度臭氧傳感器是一種能夠檢測空氣中臭氧濃度的設備,高精度臭氧傳感器防護等級IP65,雨天戶外也能安心使用,具有溫度、濕度范圍廣,安裝方便的特點,可用于工業環境監測、室外空氣質量檢測場所使用
型號 | 測量參數 | 測量范圍 | 精度 | 分辨率 | 單位 | 工作溫度 | 工作濕度 |
QT1 | 一氧化碳 | 0-1000PPM | ±2PPM | 1PPM | PPM | -20℃-+50℃ | 10-95%RH無冷凝 |
QT1S | 0-20PPM | ≤±5% | 0.01PPM | PPM | -20℃-+50℃ | 10-95%RH無冷凝 | |
QT2 | 二氧化硫 | 0-20PPM | ±1PPM | 0.1PPM | PPM | -20℃-+50℃ | 10-95%RH無冷凝 |
QT2S | 0-1PPM | ≤±5% | 0.001ppm | PPM | -20℃-+50℃ | 10-95%RH無冷凝 | |
QT3 | 二氧化氮 | 0-20PPM | ±1PPM | 0.1PPM | PPM | -20℃-+50℃ | 10-95%RH無冷凝 |
QT3S | 0-1PPM | ≤±5% | 0.001ppm | PPM | -20℃-+50℃ | 10-95%RH無冷凝 | |
QT4 | 臭氧 | 0-20PPM | ±1PPM | 0.1PPM | PPM | -20℃-+50℃ | 10-95%RH無冷凝 |
QT4S | 0-1PPM | ≤±5% | 0.001ppm | PPM | -20℃-+50℃ | 10-95%RH無冷凝 | |
QT5 | 氧含量 | 0~30%VOL | ±3%FS | 0.1%VOL | VOL | -20℃-+50℃ | 5-95%RH 無冷凝 |
QT6 | 負氧離子 | 0~10萬 個/cm3 | ±10% | 10個/cm3 | 個/cm3 | +10℃-+70℃ | 10-70%RH無冷凝 |
QT7 | 硫化氫 | 0-100PPM | ±2PPM | 1PPM | PPM | -20℃-+50℃ | 10-95%RH無冷凝 |
QT8 | 甲烷 | 0-100%LEL | ≤±3% | 1%LEL | LEL | -20℃-+50℃ | 10-95%RH無冷凝 |
QT9 | TVOC | 0-100PPM | 55±15 nA/ppm | 1PPM | PPM | -20℃-+50℃ | 10-95%RH無冷凝 |
QT10 | 氨氣 | 0-100PPM | ±4PPM | 1PPM | PPM | -20℃-+50℃ | 10-95%RH無冷凝 |
QT11 | 一氧化氮 | 0-250PPM | -2~10PPM | 1PPM | PPM | -20℃-+50℃ | 10-95%RH無冷凝 |
QT12 | 甲醛 | 0-10PPM | <1PPM | 0.1PPM | PPM | -20℃-+50℃ | 10-95%RH無冷凝 |
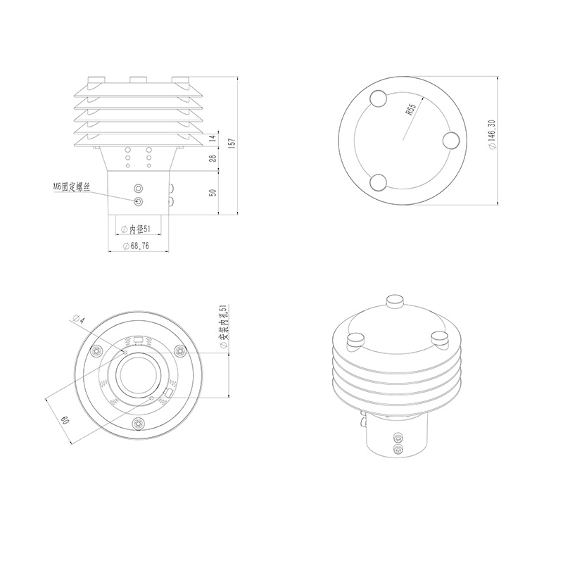
二、產品尺寸圖

自動水質監測站水質安全筑起了第一道防線
2025-12-05 09:55:38路面狀況監測系統預見路面風險-保障交通安全
2025-12-05 09:54:16全彩屏負氧離子監測站:空氣的“健康管家”
2025-12-05 09:52:39雪深監測站-感知每一寸積雪
2025-12-04 10:20:35輸電線路積冰監測系統-輸電線路的智能防冰衛士
2025-12-04 10:17:49在線多參數水質監測儀-水質監測領域的“全能管家”
2025-12-04 09:49:11雷達流量計是由流量計和水位計分工合作的
2024-01-25 11:12:29雨水在線監測系統:每一滴雨都能被記錄
2025-05-13 10:46:37地埋式水位監測設備——一款城市積水監測系統
2024-07-03 10:53:47果園氣象監測站適用領域
2025-01-17 10:55:45防腐木負氧離子監測站如何捕捉自然的呼吸?
2025-10-17 10:35:55智能農業四情監測系統覆蓋農業很全面
2024-11-22 10:57:09