山東萬象環境科技有限公司
聯系人:毛經理
聯系電話:15666889815
QQ:1950883583
公司地址:山東省濰坊高新區新城街道玉清社區光電路155號濰坊高新區光電產業加速器(一期)1號樓301
PRODUCT
聯系人:毛經理
聯系電話:15666889815
QQ:1950883583
公司地址:山東省濰坊高新區新城街道玉清社區光電路155號濰坊高新區光電產業加速器(一期)1號樓301

更新時間:2026-01-13
產品型號:WX-QT10
產品價格:電議
產品品牌:萬象系
一、氨氣傳感器技術參數
氨氣傳感器又稱氨氣濃度傳感器,氨氣傳感器是一種專門用于檢測空氣中氨氣濃度的設備,氨氣傳感器能將氨氣濃度轉化為可讀取的電信號,廣泛應用于農業養殖、工業生產、環境監測等場景,核心作用是預防氨氣泄漏引發的人員中毒或設備腐蝕
型號 | 測量參數 | 測量范圍 | 精度 | 分辨率 | 單位 | 工作溫度 | 工作濕度 |
QT1 | 一氧化碳 | 0-1000PPM | ±2PPM | 1PPM | PPM | -20℃-+50℃ | 10-95%RH無冷凝 |
QT1S | 0-20PPM | ≤±5% | 0.01PPM | PPM | -20℃-+50℃ | 10-95%RH無冷凝 | |
QT2 | 二氧化硫 | 0-20PPM | ±1PPM | 0.1PPM | PPM | -20℃-+50℃ | 10-95%RH無冷凝 |
QT2S | 0-1PPM | ≤±5% | 0.001ppm | PPM | -20℃-+50℃ | 10-95%RH無冷凝 | |
QT3 | 二氧化氮 | 0-20PPM | ±1PPM | 0.1PPM | PPM | -20℃-+50℃ | 10-95%RH無冷凝 |
QT3S | 0-1PPM | ≤±5% | 0.001ppm | PPM | -20℃-+50℃ | 10-95%RH無冷凝 | |
QT4 | 臭氧 | 0-20PPM | ±1PPM | 0.1PPM | PPM | -20℃-+50℃ | 10-95%RH無冷凝 |
QT4S | 0-1PPM | ≤±5% | 0.001ppm | PPM | -20℃-+50℃ | 10-95%RH無冷凝 | |
QT5 | 氧含量 | 0~30%VOL | ±3%FS | 0.1%VOL | VOL | -20℃-+50℃ | 5-95%RH 無冷凝 |
QT6 | 負氧離子 | 0~10萬 個/cm3 | ±10% | 10個/cm3 | 個/cm3 | +10℃-+70℃ | 10-70%RH無冷凝 |
QT7 | 硫化氫 | 0-100PPM | ±2PPM | 1PPM | PPM | -20℃-+50℃ | 10-95%RH無冷凝 |
QT8 | 甲烷 | 0-100%LEL | ≤±3% | 1%LEL | LEL | -20℃-+50℃ | 10-95%RH無冷凝 |
QT9 | TVOC | 0-100PPM | 55±15 nA/ppm | 1PPM | PPM | -20℃-+50℃ | 10-95%RH無冷凝 |
QT10 | 氨氣 | 0-100PPM | ±4PPM | 1PPM | PPM | -20℃-+50℃ | 10-95%RH無冷凝 |
QT11 | 一氧化氮 | 0-250PPM | -2~10PPM | 1PPM | PPM | -20℃-+50℃ | 10-95%RH無冷凝 |
QT12 | 甲醛 | 0-10PPM | <1PPM | 0.1PPM | PPM | -20℃-+50℃ | 10-95%RH無冷凝 |
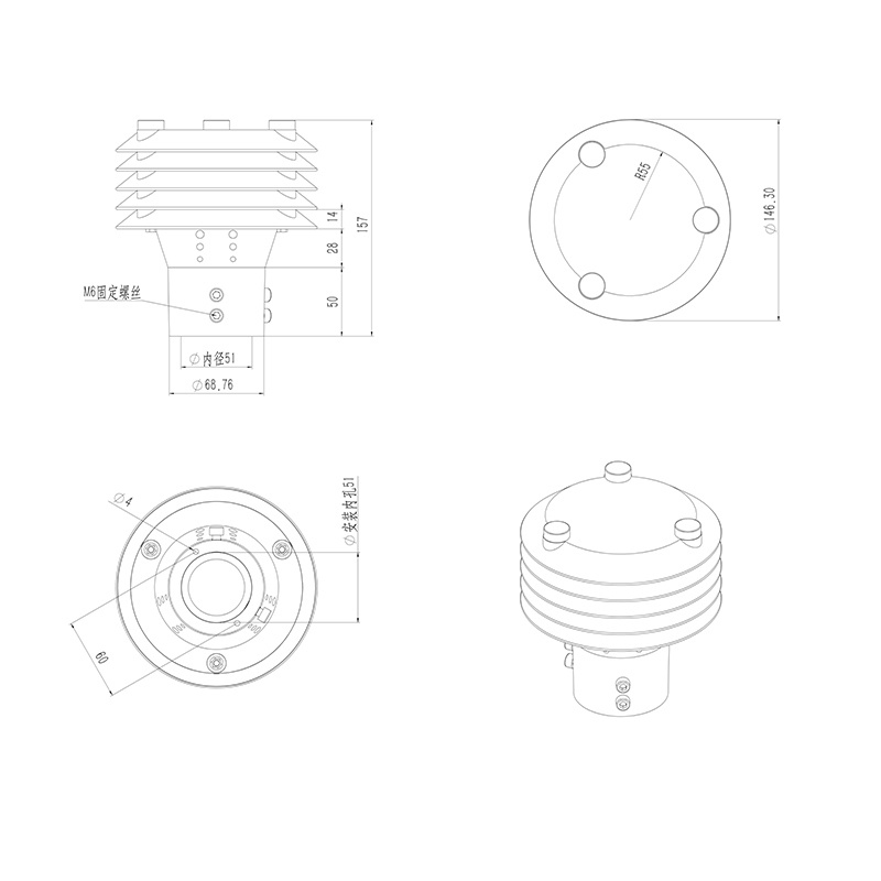
二、氨氣傳感器產品尺寸圖

隧道風速風向檢測器:隧道風速風向的隱形守護者
2026-01-13 10:46:32讀懂氧氣清新:天然氧吧負氧離子監測站的妙用
2026-01-13 10:36:13消防應急款手持氣象站:守護救援現場的隨身氣象監測衛士
2026-01-13 10:34:27土壤的翻譯官:土壤多參數測定儀構建土壤健康守護之旅
2026-01-12 10:43:55告別下地瞎忙活:農業物聯網四情監測系統讓農業種植更輕松
2026-01-12 10:42:40小儀器大能耐:便攜式多參數水質測定儀讓水質安全看得見
2026-01-12 10:40:21智能孢子捕捉儀的農業價值-為病蟲害種類判斷和發生提供數據
2025-12-08 10:10:14管式土壤墑情監測站對于作物種植的意義
2024-10-21 10:44:05河道水質監測系統引領水環境治理的新風尚
2024-05-30 10:47:34能見度氣象監測站:身邊的能見度守護伙伴
2026-01-08 10:31:12藥熏蟲情測報燈——農業科技的亮眼之星
2024-06-20 10:38:56地埋式液位計用于城市內澇治理
2024-06-06 10:47:16