山東萬象環境科技有限公司
聯系人:毛經理
聯系電話:15666889815
QQ:1950883583
公司地址:山東省濰坊高新區新城街道玉清社區光電路155號濰坊高新區光電產業加速器(一期)1號樓301
PRODUCT
聯系人:毛經理
聯系電話:15666889815
QQ:1950883583
公司地址:山東省濰坊高新區新城街道玉清社區光電路155號濰坊高新區光電產業加速器(一期)1號樓301

更新時間:2026-03-02
產品型號:WX-QT12
產品價格:電議
產品品牌:萬象系
一、甲醛傳感器技術參數
甲醛傳感器是專門用于檢測空氣中甲醛(HCHO,具有刺激性的有毒氣體)濃度的核心器件,能將甲醛濃度轉化為可讀取的電信號,廣泛應用于室內空氣監測、裝修污染檢測及工業生產預警場景
型號 | 測量參數 | 測量范圍 | 精度 | 分辨率 | 單位 | 工作溫度 | 工作濕度 |
QT1 | 一氧化碳 | 0-1000PPM | ±2PPM | 1PPM | PPM | -20℃-+50℃ | 10-95%RH無冷凝 |
QT1S | 0-20PPM | ≤±5% | 0.01PPM | PPM | -20℃-+50℃ | 10-95%RH無冷凝 | |
QT2 | 二氧化硫 | 0-20PPM | ±1PPM | 0.1PPM | PPM | -20℃-+50℃ | 10-95%RH無冷凝 |
QT2S | 0-1PPM | ≤±5% | 0.001ppm | PPM | -20℃-+50℃ | 10-95%RH無冷凝 | |
QT3 | 二氧化氮 | 0-20PPM | ±1PPM | 0.1PPM | PPM | -20℃-+50℃ | 10-95%RH無冷凝 |
QT3S | 0-1PPM | ≤±5% | 0.001ppm | PPM | -20℃-+50℃ | 10-95%RH無冷凝 | |
QT4 | 臭氧 | 0-20PPM | ±1PPM | 0.1PPM | PPM | -20℃-+50℃ | 10-95%RH無冷凝 |
QT4S | 0-1PPM | ≤±5% | 0.001ppm | PPM | -20℃-+50℃ | 10-95%RH無冷凝 | |
QT5 | 氧含量 | 0~30%VOL | ±3%FS | 0.1%VOL | VOL | -20℃-+50℃ | 5-95%RH 無冷凝 |
QT6 | 負氧離子 | 0~10萬 個/cm3 | ±10% | 10個/cm3 | 個/cm3 | +10℃-+70℃ | 10-70%RH無冷凝 |
QT7 | 硫化氫 | 0-100PPM | ±2PPM | 1PPM | PPM | -20℃-+50℃ | 10-95%RH無冷凝 |
QT8 | 甲烷 | 0-100%LEL | ≤±3% | 1%LEL | LEL | -20℃-+50℃ | 10-95%RH無冷凝 |
QT9 | TVOC | 0-100PPM | 55±15 nA/ppm | 1PPM | PPM | -20℃-+50℃ | 10-95%RH無冷凝 |
QT10 | 氨氣 | 0-100PPM | ±4PPM | 1PPM | PPM | -20℃-+50℃ | 10-95%RH無冷凝 |
QT11 | 一氧化氮 | 0-250PPM | -2~10PPM | 1PPM | PPM | -20℃-+50℃ | 10-95%RH無冷凝 |
QT12 | 甲醛 | 0-10PPM | <1PPM | 0.1PPM | PPM | -20℃-+50℃ | 10-95%RH無冷凝 |
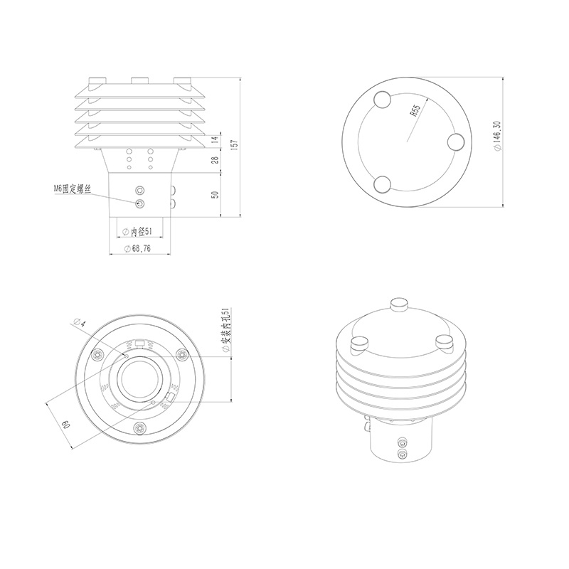
二、甲醛傳感器產品尺寸圖

守護水域安全!水位雨量流速流量監測站全天候值守,水情預警不缺位
2026-03-02 10:39:11不用拼湊組裝!一體式超聲波氣象站,輕便高效護好每一處
2026-03-02 10:37:45護自然本真!自然保護區負氧離子監測站,實時監測空氣質量
2026-03-02 10:29:17小小監測站扛起大責任,水位雨量自動監測站實時感知水位雨量變化
2026-02-28 09:58:39破解光伏隱形難題,光伏板隱裂快速檢測儀讓光伏運維更高效省心
2026-02-28 09:56:38?當智能遇上森林保護:松材線蟲病檢測儀會變成“樹木醫生”嗎?
2026-02-28 09:54:52從山川湖海到城市街頭,便攜式移動氣象站如何成為氣象監測的新寵?
2025-02-18 10:34:58光伏組件測試儀——一款el缺陷檢測儀
2024-08-01 11:02:12超聲波一體化氣象站系統,在各個領域都有用處
2025-05-22 11:00:0210層管式土壤墑情監測站在農業生產中的應用意義
2025-09-01 10:15:15光伏板el檢測儀——精準把脈光伏組件的“醫生”
2025-01-09 11:02:12校園氣象監測站:對于校園環境安全的管理有什么作用?
2025-04-16 10:54:02