山東萬象環境科技有限公司
聯系人:毛經理
聯系電話:15666889815
QQ:1950883583
公司地址:山東省濰坊高新區新城街道玉清社區光電路155號濰坊高新區光電產業加速器(一期)1號樓301
PRODUCT
聯系人:毛經理
聯系電話:15666889815
QQ:1950883583
公司地址:山東省濰坊高新區新城街道玉清社區光電路155號濰坊高新區光電產業加速器(一期)1號樓301

更新時間:2026-03-02
產品型號:WX-QT2S
產品價格:電議
產品品牌:萬象系
一、高精度二氧化硫傳感器技術參數
高精度二氧化硫傳感器又稱二氧化硫傳感器,高精度二氧化硫傳感器是一種用于監測空氣中二氧化硫濃度的傳感器設備,高精度二氧化硫傳感器能夠準確檢測空氣中二氧化硫的濃度,并實時輸出數據。其測量范圍廣泛,能夠覆蓋從低到高不同濃度的二氧化硫氣體,滿足不同場景的監測需求。
型號 | 測量參數 | 測量范圍 | 精度 | 分辨率 | 單位 | 工作溫度 | 工作濕度 |
QT1 | 一氧化碳 | 0-1000PPM | ±2PPM | 1PPM | PPM | -20℃-+50℃ | 10-95%RH無冷凝 |
QT1S | 0-20PPM | ≤±5% | 0.01PPM | PPM | -20℃-+50℃ | 10-95%RH無冷凝 | |
QT2 | 二氧化硫 | 0-20PPM | ±1PPM | 0.1PPM | PPM | -20℃-+50℃ | 10-95%RH無冷凝 |
QT2S | 0-1PPM | ≤±5% | 0.001ppm | PPM | -20℃-+50℃ | 10-95%RH無冷凝 | |
QT3 | 二氧化氮 | 0-20PPM | ±1PPM | 0.1PPM | PPM | -20℃-+50℃ | 10-95%RH無冷凝 |
QT3S | 0-1PPM | ≤±5% | 0.001ppm | PPM | -20℃-+50℃ | 10-95%RH無冷凝 | |
QT4 | 臭氧 | 0-20PPM | ±1PPM | 0.1PPM | PPM | -20℃-+50℃ | 10-95%RH無冷凝 |
QT4S | 0-1PPM | ≤±5% | 0.001ppm | PPM | -20℃-+50℃ | 10-95%RH無冷凝 | |
QT5 | 氧含量 | 0~30%VOL | ±3%FS | 0.1%VOL | VOL | -20℃-+50℃ | 5-95%RH 無冷凝 |
QT6 | 負氧離子 | 0~10萬 個/cm3 | ±10% | 10個/cm3 | 個/cm3 | +10℃-+70℃ | 10-70%RH無冷凝 |
QT7 | 硫化氫 | 0-100PPM | ±2PPM | 1PPM | PPM | -20℃-+50℃ | 10-95%RH無冷凝 |
QT8 | 甲烷 | 0-100%LEL | ≤±3% | 1%LEL | LEL | -20℃-+50℃ | 10-95%RH無冷凝 |
QT9 | TVOC | 0-100PPM | 55±15 nA/ppm | 1PPM | PPM | -20℃-+50℃ | 10-95%RH無冷凝 |
QT10 | 氨氣 | 0-100PPM | ±4PPM | 1PPM | PPM | -20℃-+50℃ | 10-95%RH無冷凝 |
QT11 | 一氧化氮 | 0-250PPM | -2~10PPM | 1PPM | PPM | -20℃-+50℃ | 10-95%RH無冷凝 |
QT12 | 甲醛 | 0-10PPM | <1PPM | 0.1PPM | PPM | -20℃-+50℃ | 10-95%RH無冷凝 |
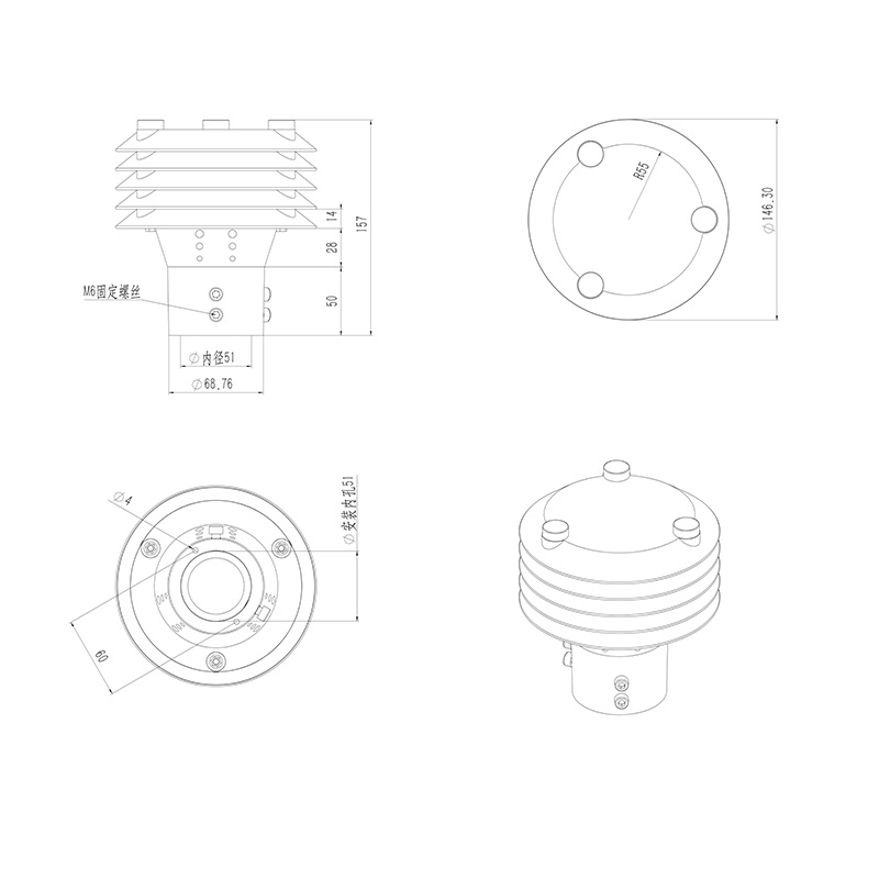
二、產品尺寸圖

守護水域安全!水位雨量流速流量監測站全天候值守,水情預警不缺位
2026-03-02 10:39:11不用拼湊組裝!一體式超聲波氣象站,輕便高效護好每一處
2026-03-02 10:37:45護自然本真!自然保護區負氧離子監測站,實時監測空氣質量
2026-03-02 10:29:17小小監測站扛起大責任,水位雨量自動監測站實時感知水位雨量變化
2026-02-28 09:58:39破解光伏隱形難題,光伏板隱裂快速檢測儀讓光伏運維更高效省心
2026-02-28 09:56:38?當智能遇上森林保護:松材線蟲病檢測儀會變成“樹木醫生”嗎?
2026-02-28 09:54:52稱重式雨雪量計帶加熱功能
2024-07-05 10:57:59地埋式積水探測器有哪些組成部分?
2023-07-07 13:10:39建筑傾斜監測儀詳解
2024-12-27 11:01:35孢子自動捕捉系統守護植物健康的智能防控裝備
2026-01-29 10:34:52雷電預警監測系統的原理是什么?
2023-09-21 11:05:33景區負氧離子監測系統設計
2024-12-13 10:46:43