山東萬象環境科技有限公司
聯系人:毛經理
聯系電話:15666889815
QQ:1950883583
公司地址:山東省濰坊高新區新城街道玉清社區光電路155號濰坊高新區光電產業加速器(一期)1號樓301
PRODUCT
聯系人:毛經理
聯系電話:15666889815
QQ:1950883583
公司地址:山東省濰坊高新區新城街道玉清社區光電路155號濰坊高新區光電產業加速器(一期)1號樓301

更新時間:2026-03-02
產品型號:WX-QT3
產品價格:電議
產品品牌:萬象系
一、二氧化氮傳感器技術參數
二氧化氮傳感器是一種用于檢測和測量空氣中或特定環境中的二氧化氮氣體濃度的設備,能將 NO?濃度轉化為可讀取的電信號,廣泛應用于環境空氣質量監測、工業排放監管及室內安全預警場景,主流檢測技術以電化學和光學原理為主。
型號 | 測量參數 | 測量范圍 | 精度 | 分辨率 | 單位 | 工作溫度 | 工作濕度 |
QT1 | 一氧化碳 | 0-1000PPM | ±2PPM | 1PPM | PPM | -20℃-+50℃ | 10-95%RH無冷凝 |
QT1S | 0-20PPM | ≤±5% | 0.01PPM | PPM | -20℃-+50℃ | 10-95%RH無冷凝 | |
QT2 | 二氧化硫 | 0-20PPM | ±1PPM | 0.1PPM | PPM | -20℃-+50℃ | 10-95%RH無冷凝 |
QT2S | 0-1PPM | ≤±5% | 0.001ppm | PPM | -20℃-+50℃ | 10-95%RH無冷凝 | |
QT3 | 二氧化氮 | 0-20PPM | ±1PPM | 0.1PPM | PPM | -20℃-+50℃ | 10-95%RH無冷凝 |
QT3S | 0-1PPM | ≤±5% | 0.001ppm | PPM | -20℃-+50℃ | 10-95%RH無冷凝 | |
QT4 | 臭氧 | 0-20PPM | ±1PPM | 0.1PPM | PPM | -20℃-+50℃ | 10-95%RH無冷凝 |
QT4S | 0-1PPM | ≤±5% | 0.001ppm | PPM | -20℃-+50℃ | 10-95%RH無冷凝 | |
QT5 | 氧含量 | 0~30%VOL | ±3%FS | 0.1%VOL | VOL | -20℃-+50℃ | 5-95%RH 無冷凝 |
QT6 | 負氧離子 | 0~10萬 個/cm3 | ±10% | 10個/cm3 | 個/cm3 | +10℃-+70℃ | 10-70%RH無冷凝 |
QT7 | 硫化氫 | 0-100PPM | ±2PPM | 1PPM | PPM | -20℃-+50℃ | 10-95%RH無冷凝 |
QT8 | 甲烷 | 0-100%LEL | ≤±3% | 1%LEL | LEL | -20℃-+50℃ | 10-95%RH無冷凝 |
QT9 | TVOC | 0-100PPM | 55±15 nA/ppm | 1PPM | PPM | -20℃-+50℃ | 10-95%RH無冷凝 |
QT10 | 氨氣 | 0-100PPM | ±4PPM | 1PPM | PPM | -20℃-+50℃ | 10-95%RH無冷凝 |
QT11 | 一氧化氮 | 0-250PPM | -2~10PPM | 1PPM | PPM | -20℃-+50℃ | 10-95%RH無冷凝 |
QT12 | 甲醛 | 0-10PPM | <1PPM | 0.1PPM | PPM | -20℃-+50℃ | 10-95%RH無冷凝 |
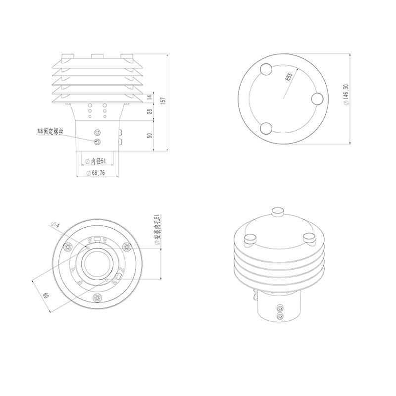
二、二氧化氮傳感器產品尺寸圖

守護水域安全!水位雨量流速流量監測站全天候值守,水情預警不缺位
2026-03-02 10:39:11不用拼湊組裝!一體式超聲波氣象站,輕便高效護好每一處
2026-03-02 10:37:45護自然本真!自然保護區負氧離子監測站,實時監測空氣質量
2026-03-02 10:29:17小小監測站扛起大責任,水位雨量自動監測站實時感知水位雨量變化
2026-02-28 09:58:39破解光伏隱形難題,光伏板隱裂快速檢測儀讓光伏運維更高效省心
2026-02-28 09:56:38?當智能遇上森林保護:松材線蟲病檢測儀會變成“樹木醫生”嗎?
2026-02-28 09:54:52國產罐區防爆氣象站:國產之光,守護工業安全
2025-03-26 10:28:40校園自動氣象觀測系統安裝意義!
2025-05-19 10:54:55路面結冰傳感器-路面上的“冰雪預警員”
2025-12-03 09:47:27國產負氧離子大氣監測系統創新之處
2024-09-27 10:25:18孢子自動捕捉分析系統的應用
2023-08-22 17:20:29便攜式地面觀測站采用超聲波原理
2024-06-06 10:50:10