山東萬象環境科技有限公司
聯系人:毛經理
聯系電話:15666889815
QQ:1950883583
公司地址:山東省濰坊高新區新城街道玉清社區光電路155號濰坊高新區光電產業加速器(一期)1號樓301
PRODUCT
聯系人:毛經理
聯系電話:15666889815
QQ:1950883583
公司地址:山東省濰坊高新區新城街道玉清社區光電路155號濰坊高新區光電產業加速器(一期)1號樓301

更新時間:2025-12-05
產品型號:WX-QT3S
產品價格:電議
產品品牌:萬象系
一、高精度二氧化氮傳感器技術參數
高精度二氧化氮傳感器可用于檢測二氧化氮氣體濃度和泄漏的危險場所,采用進口電化學式傳感器。高精度二氧化氮傳感器具有信號穩定、精度高、聲光報警、實時顯示二氧化氮濃度等優點,可根據實際需求定制量程及輸出信號,能確保在惡劣的工作環境條件下不間斷運行。高精度二氧化氮傳感器廣泛適用于化工廠、煤礦及各種環境的二氧化氮濃度的測量。
型號 | 測量參數 | 測量范圍 | 精度 | 分辨率 | 單位 | 工作溫度 | 工作濕度 |
QT1 | 一氧化碳 | 0-1000PPM | ±2PPM | 1PPM | PPM | -20℃-+50℃ | 10-95%RH無冷凝 |
QT1S | 0-20PPM | ≤±5% | 0.01PPM | PPM | -20℃-+50℃ | 10-95%RH無冷凝 | |
QT2 | 二氧化硫 | 0-20PPM | ±1PPM | 0.1PPM | PPM | -20℃-+50℃ | 10-95%RH無冷凝 |
QT2S | 0-1PPM | ≤±5% | 0.001ppm | PPM | -20℃-+50℃ | 10-95%RH無冷凝 | |
QT3 | 二氧化氮 | 0-20PPM | ±1PPM | 0.1PPM | PPM | -20℃-+50℃ | 10-95%RH無冷凝 |
QT3S | 0-1PPM | ≤±5% | 0.001ppm | PPM | -20℃-+50℃ | 10-95%RH無冷凝 | |
QT4 | 臭氧 | 0-20PPM | ±1PPM | 0.1PPM | PPM | -20℃-+50℃ | 10-95%RH無冷凝 |
QT4S | 0-1PPM | ≤±5% | 0.001ppm | PPM | -20℃-+50℃ | 10-95%RH無冷凝 | |
QT5 | 氧含量 | 0~30%VOL | ±3%FS | 0.1%VOL | VOL | -20℃-+50℃ | 5-95%RH 無冷凝 |
QT6 | 負氧離子 | 0~10萬 個/cm3 | ±10% | 10個/cm3 | 個/cm3 | +10℃-+70℃ | 10-70%RH無冷凝 |
QT7 | 硫化氫 | 0-100PPM | ±2PPM | 1PPM | PPM | -20℃-+50℃ | 10-95%RH無冷凝 |
QT8 | 甲烷 | 0-100%LEL | ≤±3% | 1%LEL | LEL | -20℃-+50℃ | 10-95%RH無冷凝 |
QT9 | TVOC | 0-100PPM | 55±15 nA/ppm | 1PPM | PPM | -20℃-+50℃ | 10-95%RH無冷凝 |
QT10 | 氨氣 | 0-100PPM | ±4PPM | 1PPM | PPM | -20℃-+50℃ | 10-95%RH無冷凝 |
QT11 | 一氧化氮 | 0-250PPM | -2~10PPM | 1PPM | PPM | -20℃-+50℃ | 10-95%RH無冷凝 |
QT12 | 甲醛 | 0-10PPM | <1PPM | 0.1PPM | PPM | -20℃-+50℃ | 10-95%RH無冷凝 |
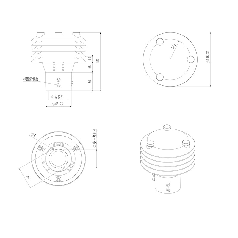
二、高精度二氧化氮傳感器產品尺寸圖

自動水質監測站水質安全筑起了第一道防線
2025-12-05 09:55:38路面狀況監測系統預見路面風險-保障交通安全
2025-12-05 09:54:16全彩屏負氧離子監測站:空氣的“健康管家”
2025-12-05 09:52:39雪深監測站-感知每一寸積雪
2025-12-04 10:20:35輸電線路積冰監測系統-輸電線路的智能防冰衛士
2025-12-04 10:17:49在線多參數水質監測儀-水質監測領域的“全能管家”
2025-12-04 09:49:11科研款蟲情測報儀使用的主要目的
2024-06-24 10:35:24五要素車載氣象站可以用于大型賽事氣象監測嗎?
2024-10-31 10:30:30移動式一體化氣象站——小巧輕便,隨心所欲
2024-07-22 10:47:22光伏太陽能環境監測系統——綠色能源的新守護者
2024-06-19 10:14:18履帶式蟲情測報燈——農作物的“友軍”
2023-08-11 11:01:20行車路上的“氣象通”:五要素車載氣象站全解析
2025-08-04 10:23:19